Complete Lubricant Engine Oil Blending Mixing Production Line

Customization: Available
After-sales Service: for Life After Sale Service
Warranty: One Year

Product Description

Basic Information

Model NO.
8ton
Condition
New
Customized
Customized
Certification
ISO9001, QS
Tank Material
Metal Tank
Type
Tank Container
Storage Objects
Solid, Liquid, Gas
Material
SUS304, SUS316, Carbon Steel
Motor
One Shaft/Two Shaft Gear Box
Suit Material
Grease, Alcohol, Additive Tanks
Heating
Oil Heating with Coil Pipe, Water Cooling
Guarantee
One Year
Capacity
200set/Month
Origin
China

Product Overview

Our complete production lines cover various industrial tank requirements, specifically designed for lubricant engine oil blending and chemical mixing.

Dilution reactive tank
Blend reactive tank
Additive tank
Cleaning oil tank
Anti-foam tank
Belt type filter
Gear wheel pump
Control cabinet
Refine oil tank
Complete Lubricant Engine Oil Blending Mixing Production Line
Production Line Equipment

Reactor Structure & Characteristics

⚙️
High Performance: Advantages include high temperature resistance, corrosion resistance, and robust production capacity.
🛠️
Structural Composition: Composed of the pot body, pot cover, stirrer, heating jacket, supporting/driving device, and shaft sealing device.
🔍
Versatile Agitators: Available in anchor type, frame type, paddle type, turbine type, scraper type, and combined types.
🏭
Applications: Widely used for hydrolysis, neutralization, crystallization, distillation, and evaporation in medicine, chemical, and food industries.
Reactor Overview

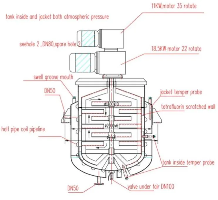
Technical Drawings

Reactor Drawing 1
Reactor Drawing 2

5Ton Grease Reactive Tank Parameters

No Item Name Specification / Material
1Power Supply440V 60Hz Three-phase
2Volume5000L
3Inner TankØ1800*1760*6mm, Material SUS304, Mirror Polished
4JacketØ2000*1660*6mm, Carbon Steel Q235, Coil Cooling
5MotorsPropeller motor: 11kw / Anchor motor: 18.5kw
6Shaft SpeedPropeller: 35RPM / Anchor: 22RPM
7Shaft SealPEFT Scattered Shaft Seal

Frequently Asked Questions

Q1: What materials are used for the tank construction?
The tanks are primarily made of high-quality stainless steel (SUS304, SUS316L, or SUS321) or carbon steel (Q235-B) depending on the specific process requirements.
Q2: Can the mixing agitator be customized?
Yes, we offer various agitator types including anchor, frame, paddle, turbine, and combined types to meet the viscosity and mixing needs of different materials.
Q3: What are the heating and cooling options available?
Our reactors support multiple heating methods such as steam, electric heating, and heat conduction oil. Cooling can be achieved via jackets, half pipes, or internal coils.
Q4: What is the typical lead time for an 8-ton or 5-ton order?
The standard delivery time is approximately 1 to 2 months, depending on the complexity of the customization and current production capacity.
Q5: Do you provide a warranty for the equipment?
Yes, all our equipment comes with a standard one-year guarantee to ensure reliable operation and peace of mind for our customers.
Q6: What certifications do your products hold?
Our manufacturing processes and products are certified under ISO9001 and QS standards, ensuring international quality compliance.

Related Products