Powder Paint Coating Mixing Mix Blender Production Line

Customization: Available
After-sales Service: for Year Service
Warranty: One Year

Product Description

📊 Basic Info.
Model NO.
1ton 2ton 5ton
Type
Reaction Kettle
Material
SUS304 SUS316 Carbon Steel
Capacity
501-1000L
Structure
Single Tube
Pressure
Atmospheric
Agitator Model
Anchor Agitator
Tower Reactor Type
Plate Tower Reactor
Heating
Oil Heating with Coil Pipe, Water Cooling
Heat Transfer
Jacketed
Automatic Grade
Automatic
Condition
New
Motor
One Shaft Two Shaft Gear Box
Suit Material
Grease Tank, Alcohol Tank, Attive Tank
Guarantee
One Year
Delivery Time
1-2 month
HS Code
8419899090
Production Capacity
200set/Month
🛠️ Product Description

Powder paint coating mixing mix blender production line

Powder Paint Coating Mixing Mix Blender Production Line
Powder Paint Coating Mixing Mix Blender Production Line
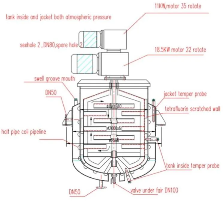
Overview of Reactor

The reactor provides significant advantages including high temperature resistance, corrosion resistance, and robust production capacity, making it suitable for demanding industrial environments.

Structural Features

The reaction pot is a precision-engineered unit consisting of a pot body, pot cover, stirrer, heating jacket, supporting and driving devices, and a shaft sealing device.

  • Connection: The body and cover are securely joined by a sealing flange.
  • Components: Includes feeding holes, stirring observation ports, temperature and pressure measurement points, steam extraction fractionation, and safety vents.
  • Jacket Design: Equipped with pipe holes for oil temperature measurement, exhaust/steam vents, and electric bars.
Versatile Applications

This equipment is primarily utilized for hydrolysis, neutralization, crystallization, distillation, evaporation, and germicidal storage. It serves critical roles in industries such as medicine, chemical processing, food production, natural flavoring, and light industry.

Materials can be customized using SUS304, SUS316L, or other stainless steel grades. Agitator types include anchor, frame, paddle, turbine, and scraper configurations to meet specific process requirements.

Technical Drawings
Reactor Drawing 1
Reactor Drawing 2
Reactor Drawing 3
Frequently Asked Questions
What materials can the reactor be constructed from?
The reactor can be manufactured using SUS304, SUS316L, and other stainless steel materials, or carbon steel (Q235-B) depending on the chemical compatibility and process requirements.
What types of heating methods are supported?
The system supports multiple heating means including steam, electric heating, and heat conduction oil via jackets or coil pipes.
Can the agitation system be customized?
Yes, agitators are available in various types such as anchor, frame, paddle, turbine, scraper, or combined types to suit different material viscosities.
What industries is this reactor suitable for?
It is ideal for medicine, chemical industry, food additives, natural flavoring, and other light industrial production processes.
Is the equipment automatic?
Yes, this model features an automatic grade with optional stepless speed reducers and sanitary mechanical sealing devices.
What is the standard guarantee period?
The product comes with a one-year guarantee covering the core components and structural integrity.

Related Products